Email
sales@novocrane.com
400-110-1833

ECO系列钢丝绳电动葫芦

NWH系列钢丝绳电动葫芦

NCH系列环链电动葫芦

非标系列电动葫芦

起重机配件系列

工位起重机系列

NCH2071 10008

模块化设计,可灵活组合,拓展性强;

设备自重轻,轻便实用;

免维护设计,操作简单;

安全可靠,提高工作效率。

1000

安全荷载(kg)

2m

F.E.M

8/2

升降速度(m/min)

1.9/0.45

起升电机功率kw

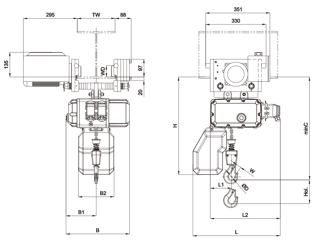
    产品尺寸及参数

    尺寸  (单位:mm)

    额定载荷

    相关参数

    1000kg

    B

    381.5

    起升电机功率
    kw

    1.9/0.45

    B1

    184

    B2

    195

    起升电机转速
    r/min

    2860/740

    B3

    25

    L

    526

    运行电机功率
    kw

    /

    L1

    118.5

    L2

    413

    运行电机转速
    r/min

    /

    H

    Hol ≤8m

    547

    Hol  ≤16m 

    697

    运行速度
    m/min

    /

    R1

    20

    W

    32

    防护等级

    IP54

    D

    40

    C

    519

    绝缘等级

    F

     

    外形尺寸适用型号

    NCH2071 05008F   NCH2071 05016F NCH2071 06308F  NCH2071 10008F

    整机重量/kg

    49+  ( Hol-3)*1.08

联系我们

请填写以下信息给我们(信息保密,不对外公开)以便我们为您提供更好的帮助与服务

我们能为您做些什么?

姓名

邮箱

电话

国家

公司名称 - (可选)

其他 - (可选)